Тл431 схема в блоке питания

Тл431 схема в блоке питания
Компенсация падения напряжения на соединительных проводах.
Ответы : Микросхема tl431 для чего
Лабораторный БП на TL431 Страница 121 Аналоговые блоки питания и стабилизато
Контент Владимир65 Страница 105 Форум по радиоэлектронике
How to make Low-drop Series Regulator Circuit using a TL431 Elektronische schalt
Лабораторный БП на TL431 Страница 138 Аналоговые блоки питания и стабилизато
Схемы стабилизаторов на tl431
Контент варп Страница 10 Форум по радиоэлектронике
Pin en Драйвер Esquemas electrónicos, Diagrama electrónico, Circuito electrónico
И я тоже переделал БП ATX в лабораторный блок питания Skoda Octavia A5 Mk2, 1,
Reg. napětí s TL431C Elektronické konstrukce
Pin by Carlos Duarte on Electronica Arduino, Electronics
Лабораторный БП на TL431 Страница 74 Аналоговые блоки питания и стабилизатор
TL431 схема включения, TL431 цоколевка Практическая электроника в 2024 г Электро
Контент Владимир65 Страница 48 Форум по радиоэлектронике
Tl431 схема включения 12v
431 схема на TL431 Страница 19 Аналоговые блоки питания и стабилизаторы напр
ЗУ Бережок-Авто Страница 21
Контент Владимир65 Страница 60 Форум по радиоэлектронике
Лабораторный БП на TL431 Страница 187 Аналоговые блоки питания и стабилизато
Контент Aknod Страница 71 Форум по радиоэлектронике
Контент Владимир65 Страница 84 Форум по радиоэлектронике
KN34PC Стабилизатор TL431
Блок питания на tl431 с регулировкой выходного напряжения схема
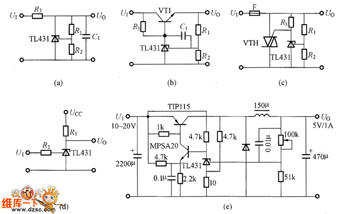
Стабилизатор TL431 характеристики, схема включения, datasheet, цоколевка
TL431
Контент khlenar Страница 73 Форум ELECTRONIX
TL 431 Shunt Regulator. Design Note 11 Hobby Projects
Контент pazak Форум по радиоэлектронике
Стабилизатор TL431 характеристики, схема включения, datasheet, цоколевка Electro
Контент Владимир65 Страница 112 Форум по радиоэлектронике
Управляемый стабилитрон TL431 но на отрицательное напряжение Форум радиолюбите
Стабилизатор TL431 характеристики, схема включения, datasheet, цоколевка Electro
Форум РадиоКот :: Просмотр темы Не понятный компонент в цепи LDO-стабилизатора
431 схема на TL431 Страница 25 Аналоговые блоки питания и стабилизаторы напр
Лабораторный БП на TL431 Страница 135 Аналоговые блоки питания и стабилизато
Лабораторный БП на TL431 Страница 165 Аналоговые блоки питания и стабилизато
Лабораторный БП на TL431 Страница 177 Аналоговые блоки питания и стабилизато
431 схема на TL431 Страница 3 Аналоговые блоки питания и стабилизаторы напря
Ответы : дайте схему самого простого регулируемого блока питания
Датчик Тока И Напряжения На Транзисторе И Оптроне Питание Форум по радиоэлек
Alimentazione: alcuni suggerimenti (parte 23) Miglioramento della risposta a t
Tl4311 микросхема
Форум РадиоКот :: Просмотр темы Регулируемый стабилизатор напряжения 0...400В
TL431 схема включения, TL431 цоколевка Практическая электроника Биполярный транз
Питание светодиодных лент. Радиотехника, электроника и схемы своими руками
Сигнализатор повышенного/пониженного напряжения на 12В автомобильный аккумулятор
Линейный стабилизатор напряжения с регулировкой на TL431 и NPN транзисторах
Вопросы по импульсным источникам питания (ИИП) Страница 784 Импульсные источ
Лабораторный БП на TL431 Страница 6 Аналоговые блоки питания и стабилизаторы
Импульсный источник питания 100 ватт на ETD-34 Импульсные источники питания, и
Питание 30W Led Matrix Питание LED и источников света Форум по радиоэлектрон
TL431 Basic Application Circuit Other_circuit Electrical_Equipment_Circuit -
TL431 datasheet, TL431 схема включения, цоколевка, аналог
TL431 как это работает Радиолюбитель это просто Радиолюбитель, Принципиальна
Лабораторный блок питания на TL431 Электронная схема, Схемотехника, Радиолюбител
Здраствуйте, будет ли стабилизировано напряжение по такой схеме Стабилизатор tl
Контент Borodach Страница 798 Форум по радиоэлектронике
Форум РадиоКот :: Просмотр темы Мелкие вопросы по питанию.