Схемы для управления внешними устройствами это

Схемы для управления внешними устройствами это
Электронная схема которая управляет работой внешнего устройства фото
ЛЕКЦИЯ № 3 Внешние устройства ЭВМ
Архитектура аппаратных средств презентация онлайн
Схемы для внешнего устройства. Ответы на вопросы. История техники. 2009-01-12
Программа позволяющая управлять внешним устройством компьютера называется фото S
Электронные схемы для управления внешними устройствами периферией это
Управление тиристорами: способы, схемы и подключение к микроконтроллеру
Электронные схемы для управления внешними устройствами это
Электронная схема для управления внешним устройством
Электронные схемы для управления внешними устройствами это
Как называются электронные схемы для управления внешними устройствами фото и вид
Электронные схемы для управления внешними устройствами называются
Электронные схемы для управления внешними устройствами это контроллеры плоттеры
Электронные схемы для управления внешними устройствами это
2-пороговый компаратор для AGM в виде модуля Страница 2 Аналоговые блоки пит
Фото ЭЛЕКТРОННАЯ СХЕМА УПРАВЛЯЮЩАЯ ВНЕШНИМИ УСТРОЙСТВАМИ
Электронные схемы для управления внешними устройствами это 58 фото
Микросхема pt8a 2511pe тостер контроллер описание схемы аналоги замещения 59 фот
Картинки СХЕМА ВНЕШНЕЕ УПРАВЛЕНИЕ
Схемы для внешнего устройства Наука и техника
Электронные схемы для управления внешними устройствами называются 94 фото
КМПУ концепция модульного проектирования устройств / Теория / Общее описание к
Электронная схема для управления внешним устройством
Photos УПРАВЛЯЕТ РАБОТОЙ ВНЕШНИХ УСТРОЙСТВ
Электронные схемы для управления внешними устройствами называются 94 фото
ЦЕНТРАЛЬНЫЕ УСТРОЙСТВА ВНЕШНИЕ УСТРОЙСТВА images
Лекция 9. Организация внешних устройств памяти КиберПедия
Электронные схемы для управления внешними устройствами это
Картинки СХЕМА УСТРОЙСТВА УПРАВЛЕНИЯ
Электронные схемы для управления внешними устройствами это 58 фото
Управление устройством через компьютер
Управление технологическими комплекс
Защитное устройство внешнего терминала и система защиты RU2764292C1 Патенты
Схемы управления внешними устройствам
Электронные схемы для управления внешними устройствами называются 94 фото
Операционные системы. Управление внешними устройствами презентация онлайн
Электронные устройства управления мощностью Автоматическое управление и защита т
Устройства управления внешней памятью ЭВМ "Эл. 100-25". Часть 1. Электриз ньюс
Устройства управления внешней памятью. Часть 2 Электриз ньюс
Электронные схемы для управления внешними устройствами это контроллеры плоттеры
Сигналы управления памятью и внешними устройствами
Электронная схема для управления внешним устройством
Лекция 1. Структурная схема эвм
Электронные схемы управляющие внешними устройствами
Подключение устройств персонального компьютера
Сбор и обработка измерительной информации (Контрольная работа)
Радио Схемы ЭЛЕКТРОННОЕ ОХРАННОЕ УСТРОЙСТВО
ЭЛЕКТРОННОЕ УСТРОЙСТВО И СПОСОБ ОПРЕДЕЛЕНИЯ ЦИФРОВОГО ИНТЕРФЕЙСА ДЛЯ ПОДКЛЮЧЕННО
3 16 (дополнение) Применение демультиплесоров для управления внешними устройства
Электронные схемы управления
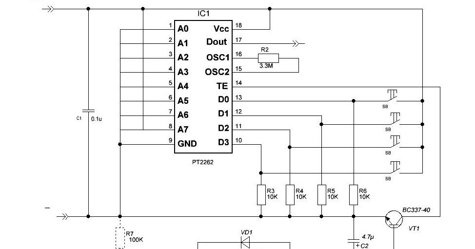
Cir2262bm
Photos ПЕРИФЕРИЙНОЕ УСТРОЙСТВО ДЛЯ УПРАВЛЕНИЯ ВНЕШНИМИ УСТРОЙСТВАМИ
Картинки ЦИФРОВЫЕ СХЕМЫ УПРАВЛЕНИЯ
Схемы управления многоразрядными индикаторами Мастерская своего дела
Управляющий модуль устройства проверки автоматических выключателей первичным ток
Управление работой внешних устройств
Режимы работы контроллера ПДП, Схема связи КПДП с внешним устройством, центральн
Компьютерные технологии Управление внешними устройствами Состав вычислительных м
Схема подключения программируемого контроллера прерываний к системной шине и вне