Схема подключения реле поворотов маз

Схема подключения реле поворотов маз
Схема реле поворотов газ 3307
реле поворотов маз Минский скутер-клуб
Зачем эти сложности Сравнение схем указателей поворотов. Lublin 3 кемпер BMW
РПП-1М
Фотография "схема проверки исправности реле-прерывателя РС950П"
АДЮИ.453714.008 Реле поворотов электронное ПЭУП-8, ЭКРАН Мазик Бай
Как переделать старую систему сигнала поворотов на новую Форум ЗиЛ 131/130/133/
Электронные реле-прерыватели указателей поворота и аварийной сигнализации (Освещ
Как проверить реле поворотов камаз рс951а фото
Контент V_ZnT Страница 4 Форум по радиоэлектронике
Первая 1000 км. после капиталки. ГАЗ 21, 2,5 л, 1963 года наблюдение DRIVE2
Сделали свой стенд для промывки форсунок инжектора Lada 21099, 1,6 л, 2008 год
Электронные реле-прерыватели указателей поворота и аварийной сигнализации (Освещ
доработка реле поворотов рс950п ГАЗ 31029, 2,5 л, 1995 года тюнинг DRIVE2
Схема подключения реле поворотов камаз 93 фото
Схема подключения реле рс 950
Схема подключения поворотников камаз
Ответы : нужна схема подключения. Нужна схема подключения реле РС 950. Же
Рс951а 3726010 10 реле поворота КАМАЗ как подключить
Ответы : Помоготе найти...см внутри!11. Надо найти схему реле поворотов н
Схема реле прерыватель указателей поворота и аварийной сигнализации фото
Публікації Сторінка 79 Український Автоклуб Москвич
Схема реле поворотов маз
Электронные реле-прерыватели указателей поворота и аварийной сигнализации (Освещ
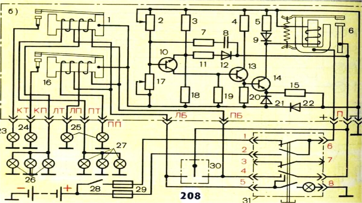
Схема подключения указателей поворотов и аварийной сигнализации МАЗ-5440. Автоте
Габаритные чертежи
Схема подключения реле поворотов на мазе 86 фото
Ответы : Поворотники и реле
Реле поворотов РС-950 на Т-25 Установка и схема подключения. смотреть видео он
Схема подключения поворотников уаз 3303 96 фото
Моргают фары газ 24
Схема реле 461 3747 дворников маз фото
Распиновка реле поворотов уаз 58 фото
Маз электрооборудования: найдено 87 картинок
Прилади системи освітлення та світлової сигналізації BudTehnika
Схема реле поворотов камаз
Не работают повороты Автоэлектрика
Как работают поворотники Схема и принцип их работы.
Подключение реле поворотов камаз: Реле поворотов КАМАЗ 24в схема подключения
Схема включения фар МАЗ Устройство и техобслуживание Про МАЗ
Где можно купить реле дворников 2019 Грузовики CHANGAN ВКонтакте
Проверка реле поворотов ваз 87 фото
Автобус МАЗ-152. Электросхемы часть 3
Рeлe Пoвopoтa" Пpocтeйшee " нa 12 вoльт Объяcню кaк oнo paбoтaeт / Ячитaть
Единственное, что не работало с момента покупки ГАЗ 24, 2,5 л, 1980 года элект
Гордость за Советскую Инженерию обрушила Ютуб канал и вызвала волну негативных к
Купить Реле поворотов МАЗ (12-ти конт.) 24V (взамен 5432.3787) ЭМИ 57.3777-05 (5
Распиновка реле поворотов ваз. Распиновка реле поворотов ВАЗ: особенности подклю
Распиновка реле поворотов рс 950 схема подключения 59 фото
Схема реле поворотов Схемы 3
Прерыватель заднего стеклоочистителя Geely Emgrand X7, 2 л, 2016 года электрон
Схема подключения аварийки 55 фото
Реле Поворотов РС 950 Б Нужна помощь! Москвич 2140, 1,5 л, 1977 года электрони
Схема подключения кнопки аварийной сигнализации ваз 2106
Реле поворотов и реле переключения света фар.
Мал.1. Схеми перевірки технічного стану і регулювання електромагнітних переривни
Звуковые сигналы МАЗ-544018, 643018, 650118 (Евро-3), МАЗ-534019, 544019, 630119
Реле поворота МАЗ АВТОЭЛТЕХ, РФ Араон Автозапчасти и автосервис в Витебске