Подшипник 130 btr 10 eton dblp4a чертеж

Подшипник 130 btr 10 eton dblp4a чертеж
NSK bearing 150BAR10DBLP4A (China Trading Company) Other Machine Hardware Ma
NSK Bearing 100BAR10DBLP4A(id:6678901). Buy Japan bearing, NSK bearing, 100BAR10
60btr10 कोणीय संपर्क जोर गेंद असर 60btr10 Dblp4 असर Buy 60btr10 असर,60btr10 Db
55btr10 Dblp4a Высокоскоростной Радиально-упорный Шарикоподшипник 55btr10styndbl
USD 858.39 120BTR10STYNDBLP4A original NSK spindle 120BAR10STYNDBELP4A bearing -
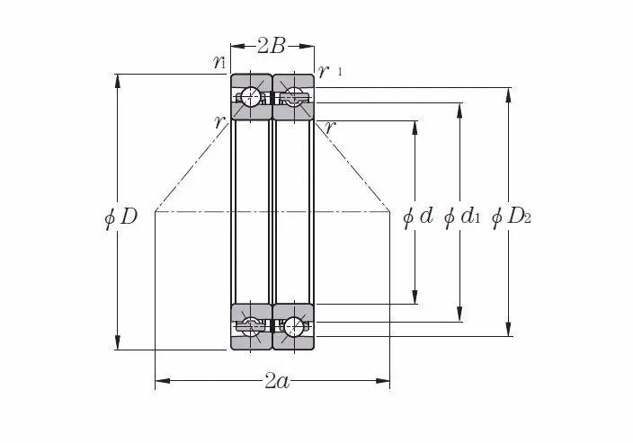
Размер подшипника 130 (6030) Аналоги и применяемость
Угловой Шаровой Подшипник 60btr10htyndblp4a Buy 60btr10htyndblp4a,Подшипник 60
Подшипник 130 размеры
32026 X Bearing 130x200x45 Mm Tapered Roller Bearing 32026x Buy 32026 Bearing,
Высокоскоростной Подшипник Главного Шпинделя 75btr10 Dblp4a / 75btr10dblp4a 75x1
1 пара MOCHU 130BTR10ETYNDBLP4A 130x200x63 Радиально-упорные контактные подшипни
Продаем Подшипник 130 (Р) АлтракАгро 4,818 ₽
Угловой Шаровой Подшипник 60btr10htyndblp4a Buy 60btr10htyndblp4a,Подшипник 60
Экскаватор Подшипник Bd130-2 Buy Bd130-2,Bd130-2,Экскаватор Подшипник Bd130-2
4ГПЗ 126 Подшипник 130*200*33 купить в интернет-магазине
01.11.2022 / ПАО "Газпром нефть" поддерживает производителей российских подшипни
BD130-1SA подшипники для экскаватора, подшипники BD130, тонкие настенные двухряд
55*130*43 spherical roller bearing 22311 E W33, View 22311, HGJX or customizatio
подшипник шпинделя 75BTR10ETYNDBLP4A 75X105X16 мм/Подшипники/Механические компон
2014 Новый И Популярный! Конические Роликовые Подшипники 4t 32909 U 32910 32911
ГПЗ 53526 Подшипник 130*230*64 купить в интернет-магазине
23226 bearing 130*230*80mm 23226CC/W33 spherical roller bearing
ООО Компания Российские Подшипники 130
Подшипник 6030 C3 ЗАВОД.УПАКОВКА SKF (G) купить в Москве
Подшипник хвостовика ЗИЛ-130 102307 UM-1307-B купить в интернет-магазине по ни
SKF NU-312 купить в Америке, лот 334545837571
Подшипник ШПХ Honda 115-130, новый, в наличии. Цена: 2 000 ₽ в Хабаровске
Подшипник 130*180*24 CX 61926-2RS купить по выгодной цене, с доставкой по России
ПОДШИПНИК 50208 (6208 N)
1ГПЗ 1000926Л Подшипник 130*180*24 купить в интернет-магазине
Подшипник 130 размеры
BMB-6209/080S2/UB108A SKF * SP
1 пара 120BTR10H TYNDBLP4A HTA024UADB GNP4L подшипники шпинделя Радиально упорны
ООО Компания Российские Подшипники 130
ПОДШИПНИК 50208 (6208 N)
Подшипник 6030 C3 ЗАВОД.УПАКОВКА SKF (G) купить в Москве
Craft. 32017. Подшипник CRAFT 32017
23226 bearing 130*230*80mm 23226CC/W33 spherical roller bearing
2014 Новый И Популярный! Конические Роликовые Подшипники 4t 32909 U 32910 32911
Подшипник хвостовика ЗИЛ-130 102307 UM-1307-B купить в интернет-магазине по ни
SKF NU-312 купить в Америке, лот 334545837571
Подшипник 6202 2Z купить оптом за 127 руб./шт. в Краснодаре от компании ООО "Сер
Подшипник ШПХ Honda 115-130, новый, в наличии. Цена: 2 000 ₽ в Хабаровске
3984R/3920R подшипник NSK 3984R/3920R (66,675х112,712х30,162) Конический роликоп
Подшипник 130*180*24 CX 61926-2RS купить по выгодной цене, с доставкой по России
1ГПЗ 1000926Л Подшипник 130*180*24 купить в интернет-магазине
Подшипник корпусной UCFL 206 купить по цене 165 грн. "Мелагроком" категория "Под
Excavator Bearing Bd130-1sa Angular Contact Ball Bearings Buy Excavator Bearin
ГПЗ 46126Л Подшипник 130*200*33 купить в интернет-магазине
46.1200.0130 Подшипник опорный шкворня автозапчасти заказать в СПб.
Ступичный подшипник 387A/382А (FERSA)
Плакат: Подшипник кассетного типа в габаритах 130х230х150 мм, 130х250х160 мм и 1
Подшипник 6215 (6-215) ГПЗ купить по цене 693 руб. в Москве от ЦентрСтройГрупп
Nsk Bearing Price 100btr10styndblp4a 100bnr10htduelp4y Angular Contact Ball Bear
Подшипник ступицы ЗИЛ-130, ПАЗ-3205 передней наружный ВОЛЖСКИЙ СТАНДАРТ купить
Хорошая Репутация 6315 Rs P6 52x25x15 Глубокий Шаровой Подшипник С Несущим Списк
Купить Радиально-упорный шариковый подшипник K 89410 M по цене 5 100р. в Москве
ГПЗ 46312Л Подшипник 60*130*31 купить в интернет-магазине
Подшипник 130 FAG по цене 4929