Обозначение жгутов на электрических схемах

Обозначение жгутов на электрических схемах
Пучок проводов задних фонарей 8560-3724029 НефАЗ-8560 (Чертеж № 52: список детал
РМ 4-6-92 Пособие к РТМ 36.22.7-92 Системы автоматизации технологических процесс
Правила выполнения схем алгоритмов, программ, данных и систем
Обозначение проводов на схеме
УНП2-7-65 Состав установки для нанесения антикоррозионного покрытия трубопрово
ГОСТ 2.702-2011 Единая система конструкторской документации. Правила выполнения
НПО Пионер: Документация
Обозначение жгута на электрической схеме 60 фото
Обозначение шины на схеме электрической принципиальной фото
Обозначение акпп на схеме 60 фото
Ремонт Шкода Октавия: Электросхемы Skoda Octavia. Описание, схемы, фото
Предохранитель обозначение на схеме
Скачать ГОСТ 2.414-68 Единая система конструкторской документации. Правила выпол
Условные обозначения в электрических схемах ГОСТ Math, Math equations
Image result for условные обозначения в электрические сети Обозначение
Скачать ОСТ 1 00031-79 Маркировка проводов, жгутов, кабелей и соединителей
Основные обозначения электрических схем
Где найти старые ГОСТы Пикабу Радио, Параллельная вселенная, Журнал
ГОСТ 2.414-75. ЕСКД. Правила выполнения чертежей жгутов, кабелей и проводов
Скачать ГОСТ 2.414-68 Единая система конструкторской документации. Правила выпол
Обозначение жгута на схеме 93 фото
Приложение а
Прокладка электропроводки в квартире: разбор схем + пошаговая инструкция
Скачать ГОСТ 2.414-68 Единая система конструкторской документации. Правила выпол
Основные группы электрических цепей тепловоза
Условные обозначения в электрических схемах ГОСТ Blueprints, Inbox screenshot, S
Условные обозначения на электронных схемах: элементы проводки
Пин от пользователя OLGA BESOVA на доске Визуал интерьера Розетки, Чертежи, Элек
Скачать Типовой проект 903-1-270.89 Альбом 16. Низковольтные комплектные устройс
Скачать Типовой проект 409-15-101.87 Альбом 1. Общая пояснительная записка. Техн
1.1. Условные графические и буквенные обозначения элекрорадиоэлементов. Отечеств
Выключатель на электросхеме
Скачать Серия 1.494-2 Выпуск 13. Электротехническая часть и автоматика воздушно-
✅ Символи в електрически вериги
Диагностика DAF CF65/75/85 Автозапчасти и автоХитрости
Принципиальные схемы и применение электротехнологических процессов в металлургии
Жгут основной 8332-3724020 НефАЗ-8332 (2010) (Чертеж № 39: список деталей, стоим
Как соединить жгут проводов: найдено 88 картинок
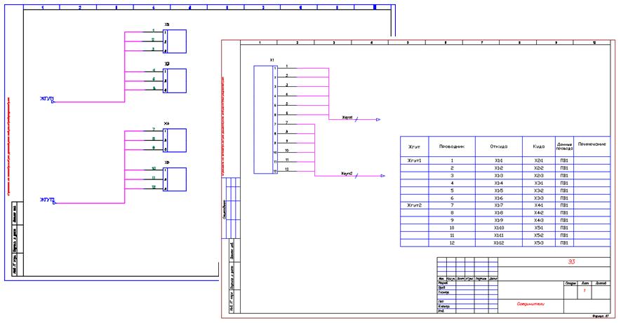
Схема соединения жгутов
Руководство по ремонту Volkswagen Transporter (Фольксваген Транспортер) 1990-200
Как правильно установить одноклавишный выключатель света. Как установить выключа
Обозначение на схемах лампочек, выключателей света , розеток Inbox screenshot
Законы :: от 2000-11-10 N 153-34.1-35.649-00 RuFox
Пин от пользователя Liuba Metelitsa на доске rosseti
1.1. Условные графические и буквенные обозначения элекрорадиоэлементов. Отечеств
ГОСТ Р 59820-2021 Маркировка проводов, жгутов, кабелей, соединителей, модульных
Схемы электрические на токарный станок 1К62 Чертежи, 3D Модели, Проекты
Схемы электропроводки Ford Eskort (Форд Эскорт) Сообщество "Ford Escort Club"
Электрическая схема КИА Оптима 3 (часть 1)
Электропневматический привод управления механизмомпереключения КПП Руководство п
1.Общая информация схем и ремонт hyundai solaris DRIVE2
FR211 Главный цилиндр сцепления для Toyota RAV 4 2007-2012 JAPANPARTS Запчасти н
Руководство по ремонту Audi A6 (Ауди А6) 1990-1997 г.в. 13.2.1 Электросхемы Part
Элементы для регулировки и контроля температуры
Скачать ГОСТ 2.414-68 Единая система конструкторской документации. Правила выпол
Краткий обзор условных обозначений, используемых в электросхемах Сам электрик
2Э66061-3724010 Основной жгут НефАЗ-6606 (Чертеж № 110: список деталей, стоимост
Розетка на электросхеме Схемы 2