Микросхема ht46r47 схема включения

Микросхема ht46r47 схема включения
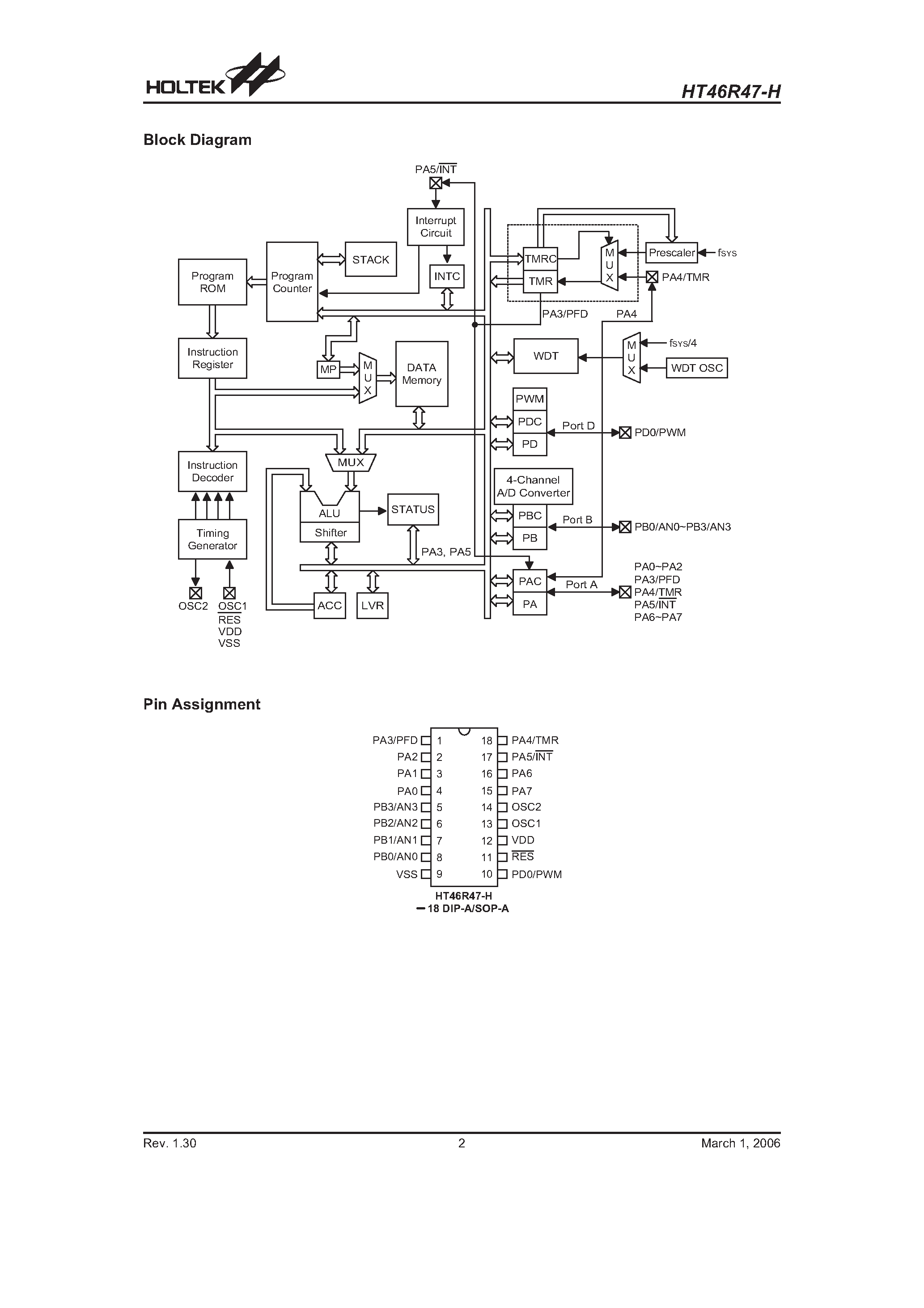
Микросхема HT46R47 схема включения RadioRadar
Микросхема нт46r47 применение в схемах
Микросхема HT46R47 схема включения RadioRadar
Ht46r064b схема включения в стабилизаторе
Микросхема HT46R47 схема включения RadioRadar
Guide de réparation Senseo Etudes d'appareils Atelier Soudé
TPS-Handbuch
Holtek HT46F47E
Circuit Design and Formula Calculating Method for Conventional Temperature Measu
Зарядное устройство на основе микроконтроллера HT46R47 фирмы Holtek Semiconducto
Selling HT46R51A, HT46R52, HT46R52A with HT46R51A, HT46R52, HT46R52A Datasheet P
由 HT46R46 构 成 的 充 电 器 电 路-电 源 电 路-维 库 电 子 市 场 网
Ht46r064b схема включения в стабилизаторе
Очень разумные технологические странички Охрана, ОПС, СКУД Принципы работы д
HT 46R47, Tube HT46R47; Röhre HT 46R47 ID66289, IC Integra
Holtek HT46F47E
HT46R47 8 битная микросхема, DIP-18 Робототехника и радиодетали
HT46R47-H Datasheet Holtek Semiconductor pdf data sheet FREE from
Index of /im/Holtek/micros
Программирование микроконтроллеров.
Контроллер HT46R47 для ремонта термопресса после неправильного подключения нагре
13/ PC-TZM5000VA. Circuit diagram. 102. 4 реле. VoTo PC-TZM5000VA TL-PC-
Зажигание+октан Коректор На Микроконтроллере Страница 43 Системы зажигания -
Источник питания проблескового фонаря на светодиодах Студопедия
Вольтамперметр с расширенными возможностями для ЛБП. Форум радиолюбителей
Снятие показаний и управление водонагревателем Термекс (Thermex IF 50)
AUSTRIAN C16A COOKER HT46R47 LM339 SN74HC164 Service Manual download, schematics
РадиоКот :: Двухканальный термометр с ЖК дисплеем
Ht46c47