Инвертор на транзисторе схема

Инвертор на транзисторе схема
Инвертор на транзисторе Электроника
Ответы : Подскажите лёгкую схему простейшего инвертора на одном транзисто
DIY 6-Канальный контроллер LED c тач-панелью "3.2" Страница 27 Самодельные L
Pin on Kipróbálandó projektek
Ответы : Инвертор на НПН транзисторе.
Форум РадиоКот :: Просмотр темы Часы на газоразрядных индикаторах
* Просмотр темы CD4094 только с инвертором
Работа 8.1 : Порядок выполнения
Большие часы на светодиодах Песочница (Q&A) Форум по радиоэлектронике
Схема инвертор сигнала на транзисторе
t-02
Инвертор схема фото
Ответы : помогите столкнулся с аномалией помогите христом богом прошу пом
Схему преобразователя 12 220в: найдено 83 изображений
ifmo-kt/course1/computer_architecture/1.1_Logic_circuits.md at master egormkn/
Ответы : инвертор 12 в 220 с трансформатором без двоичной обмотки
ТРИТОН-электронные компоненты NXP
digital logic BJT switching circuit with a capacitor as a load Electrical En
Форум РадиоКот * Просмотр темы Литий-ионный аккумулятор 18650 преобразователь
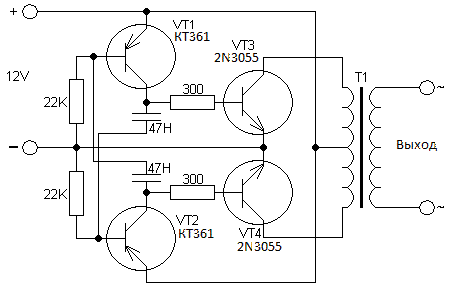
Инвертор 12 в 220 3000вт своими руками: Преобразователь с 12 на 220 своими рукам
Установка оптитронной панели (сложности) Honda Fit (1G), 1,5 л, 2003 года элек
How do I invert a signal without deforming it, and without using a logic gate -
Доработка Инвертора Начинающим Форум по радиоэлектронике
Контент Kopetan_Nemo Страница 3 Форум по радиоэлектронике
Циклоны типа ОЭКДМ способ
Level shift + amplify Electrical Engineering Stack Exchange
железо Как работает процессор на уровне Физики Stack Overflow на русском
Термины, которые важно знать, но стыдно спросить. Робототехника Дзен
Подключение центрального замка SKY M-02OC на Лада-2115 Сообщество "ВАЗ: Ремонт
Ответы : Нужен любой пример расчета логического элемента "НЕ", помогите.
Инвертор на биполярном транзисторе ЭЛЕКТРОТЕХНИКА, ЭЛЕКТРОНИКА И СХЕМОТЕХНИКА
Простейший Инвертор На Полевом Или Биполярном Транзисторе Песочница (Q&A) Фо
Инверсия сигнала схема
Комментарии пользователя tr0st0 Хабр Q&A
Ответы : Нужен любой пример расчета логического элемента "НЕ", помогите.
Пин от пользователя ABay на доске circuit Инверторы, Принципиальная схема, Элект
Ответы : Кто знает как рассчитывать схему преобразователя напряжения на м
18-фетовый контроллер 48-72V 50A для али-танка
Таймер задержки включения управляемый прекращением входного сигнала Дайте схем
Преобразователь 12 на 220 своими руками схема
Форум РадиоКот * Просмотр темы Высоковольтная нагрузка на IGBT
Контент Falconist Страница 797 Форум по радиоэлектронике
Двухтактник (общая тема)
Низковольтный преобразователь для питания люминисцентной лампы, схема. Блоки п
Ответы : помогите со схемой
Форум РадиоКот * Просмотр темы Преобразователь 0.5-1.5V в 5-9V
Двухтактный преобразователь
Фотографии ИНВЕРТОР НА ТРАНЗИСТОРЕ
Схема генератор стабильного тока 80 фото
Электронные ключи на биполярных транзисторах презентация онлайн
Повышатель напряжения 12/400В Форум радиолюбителей
Комплементарные транзисторы: найдено 84 картинок
Форум РадиоКот :: Просмотр темы Преобразователь напряжения из подручных матери
Ответы : Подойдёт ли провод лэшо 8х0.71 для блокинг генератора
можно ли на трансформатор большой мощности ставить повышающий повышающий модуль
Эксперименты NikAndr-а Страница 135
Самый простой преобразователь напряжения 12 в / 220 в Electronic schematics, Ele
Ответы : Резисторы R3 и R4 правильно соединены на схеме
Пример транзисторного ключа