Контакты
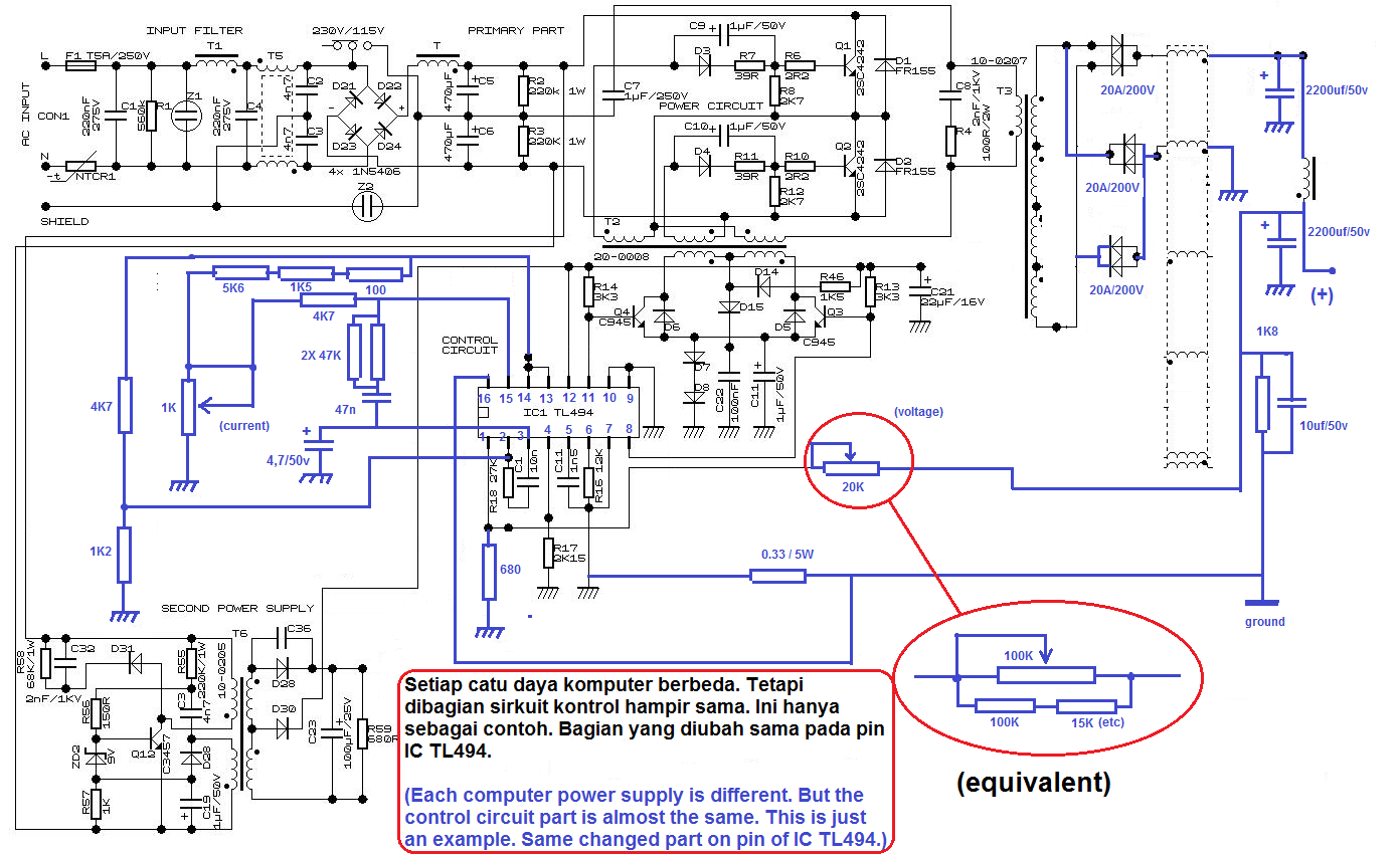
Схема бп ps4
Пожаловаться
< Предыдущая
Фото - 36
Следующая >
Схема бп ps4
Все фотографии:
Wt7525 схема блока питания