Tl082 datasheet на русском схема включения

Tl082 datasheet на русском схема включения
TL082CP
TL082CP микросхема (2 шт.) DIP-8 аналог AN1082 схема HA17082 характеристики, цок
Перейти на страницу с картинкой
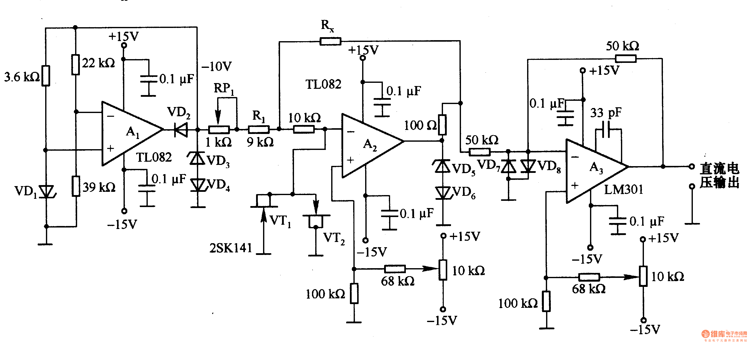
Resistance/voltage transform circuit composed of TL082 Basic_Circuit Circuit
Tl082 amplificador operacional doble, 3mhz, alta tensión j-fet opam dual, opam
en:parts:tl082_tl084
TL081 Op-Amp Pinout, Example Circuit, Datasheet, Applications
Tl082 схема включения: circuit circuit , , . Производство и поставка электрост
Pre Amp TL082 Resources
TL082CP Operational Amplifier: Pinout, Datasheet, and Typical Applications
TL-082 даташит ST Microelectronics техническое описание радиодетали, Dual J-FET
TL082CDT Electronic IC Chips General purpose operational amplifiers
electronic circuit Page 19 ::
TL-082 даташит ST Microelectronics техническое описание радиодетали, Dual J-FET
Темброблоки и эквалайзеры Страница 24 Предусилители, темброблоки, фильтры
op-amp square waves Page 1
SOLVED TL082 preamp: help please! #16 by Grumpy_Mike Audio Arduino Forum
TL082 082C General purpose JFET dual operation amplifiers
Selling TS3V340RGYRG4, TS3V340RGYRG4(TF340), TS3V393 with TS3V340RGYRG4, TS3V340
Other Integrated Circuits 8 DIP - LOW NOISE J-FET DUAL OPERAT. AMPLIFIER ST TL07
Усилитель на TL082 для чувствительного єлектрктного микрофона
Блок питания должен быть тяжелым (с) или неудачная сборка китайского конструктор
Модернизация ЛБП HY3010 Страница 119 Аналоговые блоки питания и стабилизатор
Контент BOB4uK_74 Страница 8 Форум по радиоэлектронике
Tl082c схема включения
Scanning Oscillating Circuit Composed of TL082 Automotive_Circuit Circuit Di
arduino Puzzling behavior of op amp circuit Electrical Engineering Stack Exc
Tl082c схема включения
TL084C Datasheet PDF Motorola