Sw2658a схема блока питания

Sw2658a схема блока питания
sw2658a бп 12в 3А Схемотехника, Электроника, Радио
Ремонт внешнего блока питания от ресивера триколор. DRIVE2
Схемы led драйверов и блоков питания светодиодных лент
SW2604A схема блока питания RadioRadar
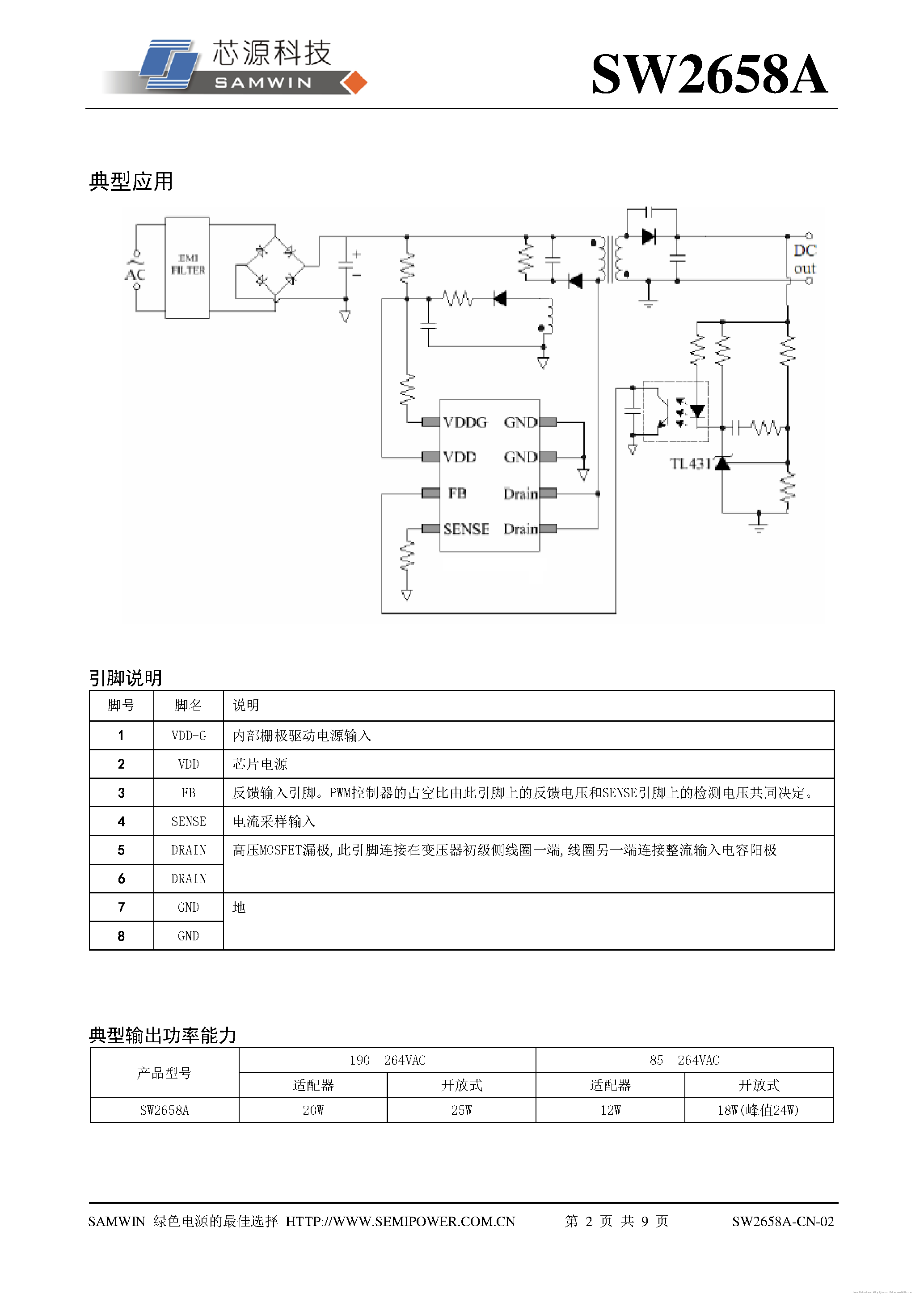
SW2658A даташит SAMWIN техническое описание радиодетали, описание на русском ана
Шим sw2658a аналог
Telefunken TTR 280C_DVBT_Tuner táp hiba Elektrotanya
Test/review of 5V 3A usb power supply for Rasberry DSM-0530 USB Power Devices
CHINA
Ремонт Адаптера питания, китайского телевизора Bravis Электроника это просто
Контент Metronom Service Страница 2 Форум по радиоэлектронике
5h0165r схема включения
5h0165r схема блока питания
Sw2658a
SW2658A Datasheet SAMWIN pdf data sheet FREE from
Всем привет! Ребят,чем можно заменить шим-контроллер CR5229 есть ли аналоги с по
Купить VIPer20 ШИМ контроллер с встроенным ключом VIPer20DIP DIP-8
Sw2658a схема включения фото
БП SMPS888 VER1.3 нужна помощь в ремонте
Здравствуйте,при ремонте блока питания cp1220s(GQ),менял вздутые конденсаторы ,с
Ответы : ремонт блока питания CODEGEN_300X_V2.03_300W
Стабилизированный блок питания на микросхеме Viper22a
БП ATX универсальное зарядное 12-42в, лабораторный блок питания 5-48в. Стран
Схема адаптер для телевизора
Управляй яркостью эффективно Силовая электроника
микро в блоке питания Общение Корзина
Схема блок питания tvp2022
földimogyoró Túlélés borotválkozás schematics pcb layout Burma Elválasz
Ремонт внешнего блока питания от ресивера триколор. DRIVE2
Блок питания радиостанции схема
Sw2658a
Нет дежурки на БП Winsis WMS-300SFX ATX и UPS Форум по радиоэлектронике
Ob2358 схема блока питания
Питание микросхемы от переменки Импульсные источники питания, инверторы Фору
Sw2658a
SW2658A Datasheet SAMWIN pdf data sheet FREE from
Схема включения sw2658a 88 фото
Шим контроллер sd6835 схема включения
микро в блоке питания Общение Корзина
Светодиодное освещение Форум про радио
Блок питания на UC3842 Блоки питания
Адаптер питания схема (89 фото)
Характеристики модели PN8368 микросхема (2 шт.) SOP-7 SMD аналог Ee19 схема PN83
Chip sw2658a купить недорого AliExpress
Схема блока питания KM60-8M на UC3843 Принципиальная схема, Электронная схема, Э
Форум РадиоКот * Просмотр темы Ремонт импульсного ЗУ (БП) ноутбука 19v 4,74A
Схемы и печатные платы блоков питания на микросхемах UC3842 и UC3843. Радиотехни
SG5841 Справочник по микросхемам
Микросхема 5L0380R схема включения RadioRadar
Ответы : Как определить наличие гальванической развязки в БП
Традиционная схема блока питания на UC3843 Circuit diagram, Electronic schematic
5h0165r схема блока питания
Схемы универсальных блоков питания для ноутбуков на 12В, 15В, 18В, 19В, 20В, 2
Ответы : Чем заменить микросхему lp3792 в блоке питания
Микросхема 5L0380R: схема включения, как правильно подключить и настроить генера
ИМПУЛЬСНЫЙ ИСТОЧНИК ПИТАНИЯ НА 12...24 Вт Электроника, Электротехника, Принципиа
Ремонт зарядного шуруповерта
Зарядное устройство из любого БП компьютера Lada 21099, 1,5 л, 2000 года элект
Методика поиска неисправности блока питания на примере ремонта. Ремонт торговой